PH.0032(0)12263248 - LIJNEN OPEN VAN 9u-18u / GESLOTEN OP ZONDAG & MAANDAG

WISHBONE-ARM, LAGER
WISHBONE-ARM, LAGER
WISHBONE-ARM, LAGER
WISHBONE-ARM, LAGER
WISHBONE-ARM, LAGER
WISHBONE-ARM, LAGER
WISHBONE-ARM, LAGER
WISHBONE-ARM, LAGER
WISHBONE-ARM, LAGER
WISHBONE-ARM, LAGER
WISHBONE-ARM, LAGER
WISHBONE-ARM, LAGER

WISHBONE-ARM, LAGER

SKU: MS-AAA1326

Normale prijs
€15,00
Aanbiedingsprijs
€15,00
Inclusief belasting
Hoeveelheid moet 1 of meer zijn

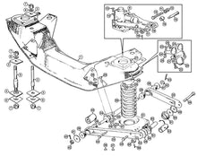
Wishbone onderarm.
Geschikt voor: MGA 1500, MGA 1600 MKII, MGB, TD, TF.

Technische tekeningen:
*MGA: nr. 28.
*MGB: nr. 32.
*TD, TF: nr. 35.