PH.0032(0)12263248 - LIJNEN OPEN VAN 9u-18u / GESLOTEN OP ZONDAG & MAANDAG

ROCKER OLIETOEVOERBUIS, MIDGET 1500, SPITFIRE 1500, TR5, TR6
ROCKER OLIETOEVOERBUIS, MIDGET 1500, SPITFIRE 1500, TR5, TR6
ROCKER OLIETOEVOERBUIS, MIDGET 1500, SPITFIRE 1500, TR5, TR6
ROCKER OLIETOEVOERBUIS, MIDGET 1500, SPITFIRE 1500, TR5, TR6

ROCKER OLIETOEVOERBUIS, MIDGET 1500, SPITFIRE 1500, TR5, TR6

SKU: MS-TT1226

Normale prijs
€70,00
Aanbiedingsprijs
€70,00
Inclusief belasting
Hoeveelheid moet 1 of meer zijn

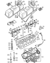
Rocker olietoevoerleiding.
Geschikt voor: Midget 1500, Spitfire mki-1500, TR5-6.

Technische tekening:
Dwerg: nr. 68.
Spitfire: nr. 52.
TR5-6: nr. 72.