
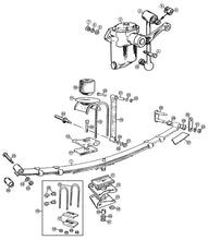
Lien pour amortisseur.
Côté : arrière.
Longueur : 250 mm.
Convient pour : MGA 1500, MGA 1600 MKII, MGB.
Dessins technique:
*MGA : n°. 21.
*MGB : n°. 3.
Côté : arrière.
Longueur : 250 mm.
Convient pour : MGA 1500, MGA 1600 MKII, MGB.
Dessins technique:
*MGA : n°. 21.
*MGB : n°. 3.