
Application:
MGB avec pare-chocs en caoutchouc (1962-80)
Austin Healey Sprite IV avec pare-chocs en caoutchouc (1966-79)
MG Midget III - 1500 avec pare-chocs en caoutchouc (1966-79)
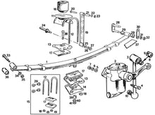
Dessin 1 : Suspension arrière MGB : Numéro d'article 19
Dessin 2 : Suspension arrière Sprite IV et Midget III-1500 : Numéro d'article 40
MGB avec pare-chocs en caoutchouc (1962-80)
Austin Healey Sprite IV avec pare-chocs en caoutchouc (1966-79)
MG Midget III - 1500 avec pare-chocs en caoutchouc (1966-79)
Dessin 1 : Suspension arrière MGB : Numéro d'article 19
Dessin 2 : Suspension arrière Sprite IV et Midget III-1500 : Numéro d'article 40